| CB14A-10、CB14-2、CB14-5 |
|
上海川代轴承机械有限公司 新闻动态 2026-4-20
|
 |
|
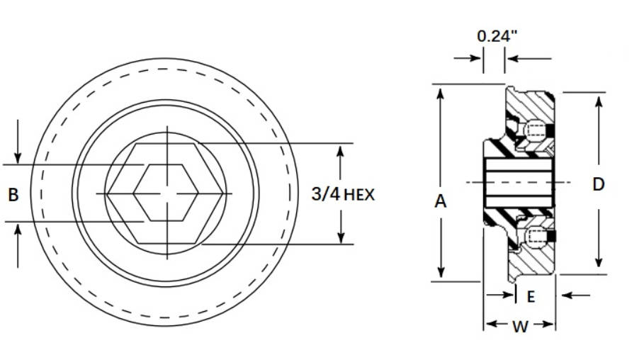
Bearing Part Number |
Hex Bore B (in) |
Outer Diameter D (in) |
Flange A (in) |
W (in) |
E (in) |
|
CB14-1 |
0.466/0.456 |
1.469/1.464 |
1.537 |
0.712 |
0.372 |
|
CB14-2 |
0.466/0.456 |
1.503/1.498 |
1.574 |
0.712 |
0.410 |
|
CB14-3 |
0.466/0.456 |
1.529/1.524 |
1.600 |
0.712 |
0.410 |
|
CB14-4 |
0.466/0.456 |
1.880/1.875 |
1.951 |
0.712 |
0.410 |
|
CB14-5 |
0.466/0.456 |
1.603/1.598 |
1.675 |
0.712 |
0.410 |
|
CB14A-6 |
0.466/0.456 |
1.712/1.707 |
1.783 |
0.520 |
0.410 |
|
CB14A-7 |
0.466/0.456 |
1.712/1.707 |
without |
0.520 |
0.472 |
|
CB14A-10 |
0.466/0.456 |
1.628/1.623 |
1.700 |
0.520 |
0.410 | |
CB14A-10、CB14-2、CB14-5现货供应,如有需要请及时联系我们。上海川代轴承机械有限公司同时销售
U610,
6408/C3,
2880,
150RU91OO771R3,
72487B,
LRT202416,
DCMA50,
24038EJW33,
203SST5 G-74 P2S 12448,
B547L,
SAF62440302,
N320P,
TKM0950-EHS42,
SEA140/NS7LI0DDL,
SEA55/GH9CE1DDL,
SMG30.45 ,
NA020XP0,
6202-ZTN9/LT,
SHS55LC2QZSS+5280L(2280L+3000L),
80TAH10TDB/GMP4,
UC207-105D1,
WS-226-68 (X2),
23024 EA.W33.C3,
JA2108,
207FFSG,
AR-2-23、孔径2-3/16(英寸in),
KH-1330-12A,
HCS7010-C-T-P4S-DUL#E,
S1S08,
07097/07204AV密封盖,
以上为我司部分轴承型号,如需查找其他型号,可登陆我们的现货中心栏目或致电021-52797858转8008进行详细查询,谢谢! ,我们还提供其相关技术信息包括
CRBS 形图和数据,
IKO:RNAFW203224、RNAF152313、RNAFW183024、NAFW203526、RNAFW253526,
069931 FC-IP-415LE 、 066607 B1U-SD-700、069782 F4S-IP-108LE 、 087265 P2B-C-200E,
F2B-SXR-17M RCJT17-3/4、F2B-SXR-014 RCJT7/8、F2B-SXR-107 RCJT1-7/16,
1623-824-20、1623-724-20、1623-324-20,
SLS-112、SLS-116轻型直外径芯件,
M90x110x10,
STIEBER GFRN30,
PLB6887FD802 MSN5312EX ZAFS5211 3214FT3 NJ218P,
CYRD-1-3/8 CCYRD-1-3/8、CYRD-1-3/4、CCYRD-1-3/4,
PLB66135FR、PLB66144FR、PLB66168FR,
R1532 220 06、R1532 100 06、R1532 220 06,
P2B-HC-107、P2B-HC-203,
MRC、1813S、1814S、1815S,
AE45、AE30、AE12、AE15、AE20、AE35离合轴承,
我们能针对客户的需求提供各种技术服务,具体详细信息请联系川代轴承全国客服热线021-52797858转8008询价,我们将为您提供专业详细的服务。如需查找其他型号,可登陆我们的现货中心栏目或致电021-52797858转8008询价进行详细查询,谢谢! |