| HS2-HC-538E、HS2-HC-481E |
|
上海川代轴承机械有限公司 新闻动态 2026-4-18
|
 |
|
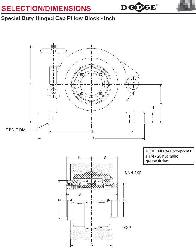
SHAFT SIZE RANGE SYMBOL# |
PART NUMBER |
PART NAME |
WEIGHT LBS (APPROX) |
|
106 TO 108 |
067016 |
HS2-HC-406E |
13 |
|
111 TO 112 |
067103 |
HS2-HC-444E |
16 |
|
115 TO 200 |
067034 |
HS2-HC-481E |
23 |
|
203 |
067123 |
HS2-HC-538E |
26 |
|
207 |
067138 |
HS2-HC-569E |
40 |
|
215 |
067075 |
HS2-HC-656E |
52 |
|
SHAFT SIZE
INCHES |
A |
B |
C |
D |
F DIA
BOLT |
|
|
H |
J |
L |
M |
N |
R |
S |
|
1-3/8
1-7/16
1-1/2 |
4-1/8 |
7-1/4 |
3 |
5-7/8 |
1/2 |
3/4 |
6-7/8 |
2-7/16 |
2-7/8 |
3-1/4 |
1-15/16 |
2-3/16 |
|
1-11/16
1-3/4 |
4-1/4 |
8-1/4 |
3-1/4 |
6-7/8 |
1/2 |
3/4 |
6-7/8 |
2-13/16 |
3-1/8 |
3-17/32 |
2 |
2-1/4 |
|
1-15/16
2 |
4-7/16 |
9-1/4 |
3-1/2 |
7-11/16 |
5/8 |
7/8 |
7-5/8 |
3-1/16 |
3-1/4 |
3-13/16 |
2-1/8 |
2-5/16 |
|
2-3/16 |
4-3/4 |
10-1/4 |
4 |
8-1/4 |
3/4 |
1 |
7-5/8 |
3-7/16 |
3-3/4 |
4-7/32 |
2-1/4 |
2-1/2 |
|
2-7/16 |
5-5/16 |
10-1/4 |
4-1/4 |
8-1/4 |
3/4 |
1 |
9-5/8 |
3-13/16 |
4-1/2 |
4-5/8 |
2-9/16 |
2-3/4 |
|
2-15/16 |
6-1/16 |
11-1/8 |
4-3/4 |
9-1/8 |
3/4 |
1-1/4 |
10-1/8 |
4-7/16 |
5 |
5-1/4 |
2-15/16 |
3-1/8 |
|
HS2-HC-538E、HS2-HC-481E现货供应,如有需要请及时联系我们。上海川代轴承机械有限公司同时销售
21305 CC,
22224-E1A-M,
H3124,
308WG,
K21905,
M244246TD,
PFL14,
AX3.575100,
104FFT6 G-35 P2S 21519,
SC-40,
MR1222EX,
GE25KRRBTDCF,
SEA70/GH7CI1DDL,
023224 F4B-K-208R,
JP12049 TAPER CONE,
NU314,
B71921E.T.P4S.UL,
GC28EEM,
RPNA 25/42,
SSETWNAM40DD,
KRT62,
21317 VM,
5311CFZ/SBKFZ,
R24ZZ,
KH-3028-2A,
R2BX4C44 V-11 G-2 P3 15441,
VF2S-331,
1110油封,
D285L,
UC 202 BHTS ZZ 350° 136 Plus,
以上为我司部分轴承型号,如需查找其他型号,可登陆我们的现货中心栏目或致电021-52797858转8008进行详细查询,谢谢! ,我们还提供其相关技术信息包括
单向离合器 型号 LCKX,
单向离合器 型号 CKZF-B,
日本Hephaist精工 SRJ004CP SRJ006CP SRJ008CP SRJ012CP SRJ024CP SRJ032CP SRJ048CP,
台湾上银HIWIN HGH15CA HGH20CA HGH20HA HGH25CA HGH25HA HGH30CA HGW45HA HGW55CA HGW55HA HGW65CA,
RBC品牌 SJ9687 、 24NBF2448YJ SJ9607 、 12NBF1628YJ、SJ9568 、 10NBF1224YJ,
ER46 孔径 2-7/8,
PU320 孔径 1-1/4 、 PU322 孔径 1-3/8 、 PU323,
FT2515-45L、FT3525-75L、FT5038-250L,
PLB66144FH 、PLB66M220FH、PLB66B151FH,
RBC:KSP3L、KSP3、KSP4A、KSP5A、KSP6A,
同心锁定VPB-316、VPB-320、VPB-323、VPB-327、VPB-335,
ZFS9200、ZFS9203、ZFS9208,
EPEB22563FH、EPEB22572YFH、EPEB225M110YFH,
MZEU12K E3+E4、MZEU25K E3+E4、MZEU40K E3+E4,
National油封 6357S、455060、416149,
我们能针对客户的需求提供各种技术服务,具体详细信息请联系川代轴承全国客服热线021-52797858转8008询价,我们将为您提供专业详细的服务。如需查找其他型号,可登陆我们的现货中心栏目或致电021-52797858转8008询价进行详细查询,谢谢! |