WG231EL轴承尺寸规格 |
 |
|
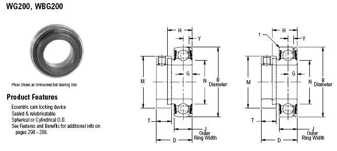
Size
Code |
Shaft
Diameter |
Cylindrical |
Spherical |
B O.D. |
J
Outer
Ring
Width |
D |
G |
H |
M |
N |
r |
T |
Y |
Approx.
Weight |
|
Part Number |
Part Number |
|
210 |
1 15/16 |
WBG231EL▲ |
WG231EL▲ |
3.5433 |
0.8661 |
1 23/32 |
0.4330 |
1.1875 |
2 3/4 |
2.306 |
0.039 |
23/32 |
0.268 |
1.75 |
|
2 |
WBG2E32EL▲ |
WG2E32EL▲ | |
近期推荐轴承型号WG231EL,
,
ZP5211F,
ZF6215,
MR1021EAX,
PSW222E,
FRY224N,
FC4352-1516,
ER27K,
PKLB66168FH轴径10.5(in),
FRU224N轴径1.5(in),
PFC435K1-34轴径1.75(in),
以上为我司部分轴承型号,如需查找其他型号,可登陆我们的现货中心栏目或致电021-52797858转8008询价,进行详细查询,谢谢!
|
| LINK-BELT轴承品牌介绍: |
| Linkbelt隶属美国REXNORD,美国莱克斯诺工业集团是大型跨国工业集团公司,坐落于美国威斯康辛州的密尔沃基市,是复杂工艺机械传动部件制造商。其主要产品包括:LINK-BELT滚动轴承、LINK-BELT高精度轴承、LINK-BELT调心轴承、LINK-BELT带座轴承、LINK-BELT平面球轴承、LINK-BELT轴承直线导轨、LINK-BELT轴承滚珠丝杆、LINK-BELT轴承微小型直线导轨、LINK-BELT轴承交叉滚子导轨、LINK-BELT往轴承复旋转衬套轴承、LINK-BELT轴承滚珠滑组、LINK-BELT凸轮从动轴承等。 |
上海川代轴承机械有限公司专业销售LINK-BELT轴承 WG231EL轴承,LINK-BELT轴承品牌供应商,我们为您提供WG231EL的具体的规格参数及报价,本公司同时销售包括LINK-BELT轴承品牌在内的多种进口轴承,包括深沟球轴承、自动调心球轴承、角接触球轴承、圆柱滚子轴承、滚针轴承、球面滚子轴承、推力轴承、Y-轴承、滚轮轴承,直线轴承,滑动轴承,轴承箱及各种精密机械部件等产品,目前公司拥有现货库存、快捷的物流体系、能在较短的时间内为用户解决轴承的配套供应和提供个性化服务。
欢迎垂询LINK-BELT轴承 WG231EL轴承价格和库存信息。咨询热线:021-52797858转8008询价 |