欢迎访问川代轴承机械下属网站:
川代机械轴承网 川代机械配件网
 


FAG轴承
TIMKEN轴承 IKO轴承
KOYO轴承 NACHI轴承
NTN轴承 NSK轴承
EZO轴承 EASE轴承
INA轴承 NMB轴承
IJK轴承 SAMICK轴承
THK轴承 FYH轴承
EZO轴承
在线咨询

服务热线:

021-52797858

传真:

021-51611236
电子邮箱:

ass1318@hotmail.com 
zzs@chuandaizc.com

QQ在线咨询:
QQ:505918680
QQ号码505918680

 

首页>>SEALMASTER高温轴承>>ER-36TC

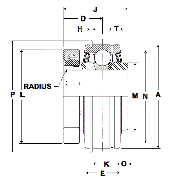
ER-36TC轴承尺寸规格



Part No Description Shaft Size (In) A D E H
711116 ER-36TC 2.250 4.331 1.625 1.250 0.094
J K L M N O P
2.625 1.031 2.984 0.297 3.906 0.375 4.578
T Radius
0.297 0.080
  近期推荐轴承型号

ER-36TC

, , STH-212-12, MPD-36, RCI-461-N, USRBE5000-311, SRC-8、孔径1/2(英寸in), SRC-205、孔径1(英寸in), 3-115D、孔径1.9375(毫米mm), DRPB-212-2、孔径2-3/4(英寸in), SEHB-216润滑式悬吊座, 10-05-234-01, 以上为我司部分轴承型号,如需查找其他型号,可登陆我们的现货中心栏目或致电021-52797858转8008询价,进行详细查询,谢谢!
SEALMASTER高温轴承品牌介绍:
  SEALMASTER连座轴承创建于1935年,是北美连座轴承生产商.广泛应用于电力,钢铁,石油工业等领域.其轴承保持架全部是铜制的,内圈滚道区域经过硬化处理,提高了轴承的耐磨性.该轴承密封性能良好,密封圈使用SEALMASTER公司的专利产品,适用于粉尘大,工况差等场合.其最大内经5英寸(127MM).SEALMASTER轴承有耐高温450℉(232℃)、有防水,防化学物质、C型密封以及低噪音CXU型密封和耐腐蚀CR系列.SEALMASTER轴承分单面螺栓锁紧,双面螺栓锁紧(D系列)和SEALMASTER轴承分单面螺栓锁紧,双面螺栓锁紧(D系列)和SEALMASTER公司设计锁紧圈锁紧(T系列)三种。D系列锁紧的设计使轴承与轴配合更加紧密,受力更加均匀,从而提高SEALMASTER轴承使用寿命。
  上海川代轴承机械有限公司专业销售SEALMASTER高温轴承 ER-36TC轴承,SEALMASTER高温轴承品牌供应商,我们为您提供

ER-36TC

的具体的规格参数及报价,本公司同时销售包括SEALMASTER高温轴承品牌在内的多种进口轴承,包括深沟球轴承、自动调心球轴承、角接触球轴承、圆柱滚子轴承、滚针轴承、球面滚子轴承、推力轴承、Y-轴承、滚轮轴承,直线轴承,滑动轴承,轴承箱及各种精密机械部件等产品,目前公司拥有现货库存、快捷的物流体系、能在较短的时间内为用户解决轴承的配套供应和提供个性化服务。
  欢迎垂询SEALMASTER高温轴承 ER-36TC轴承价格和库存信息。咨询热线:021-52797858转8008询价
其他相关信息:
·IKO CRW CRWG
·NSK FC.. 型 ·供应 TIMKEN
·SNFA、GMN、NADELLA ·NADELLA 库存
·代理TYCHOWAY、R987144847、21188、R987144719、21238、R987144741、21288 ·代理RHP丝杆轴承BSPB078QBLP3 RHP BSPB4100DFHP3 RHP BSPB225DFHP3 BSPB078QUMP3 RHP BSPB4100QBHP3 RHP BSPB225QBHP3
·SDB40内径:63.5mm,外径:95.25mm,厚度:127mm ·HEPHAIST精工株式会社是一家专业从事高精度、高品质的直线运动轴承。尺寸参数
·Thomson在60年前发明了直线滚珠衬套轴承。SSUFB16,SSUFB20-ABB,SSUFB24,SSUPB10,SSUPB12,SSUPB16 ·LS-116、LS-119、LS-120固定螺钉锁定
·22310LBC3、22310LBKC3、22315LBC3、22315LBKC3、22326LBC3、22326LBKC3 ·KFBSS216、KLFBSS216、KFBSS2M25、KLFBSS2M25、KFBSS219、KLFBSS219
·美国LINK-BELT ZCS5111 M1228UA LB68115 LB6888D86 ·SSF4763A、SS684GPRJ、SS6200C20/30GPRTN9H、E623/600903-2ZGPRJ
·SS6303-ZFP5GPRJN、SSFE684/10-2ZGPRJ、SS604-2ZC3GPRJ ·NILOS-RING、33006AV ,33005AV ,30234AK
·采用双锁紧MFPD-31、MFPD-35、MFPD-39、MFPD-43、MFPD-47 ·ZPS9200、ZP9045MM、ZPS9207、ZPS9208
·FBB22424H、FBB22431H、FBB224M45H ·MFCCL224N、MFCCL231N、MFCCL235N、MFCCL236N
·1651-111-20、1651-114-20、1651-819-20 ·GR-10-N、GR-14-N、GR-22-N
·MZ70C、MZ45C、MZ60C、MG500C ·DC2776、DC3175(3C、DC4127(3C)离合器
·超越离合器ALM25、ALM30、ALM35、ALP45 ·VCM-6、VCM-8、VCM-10、VCB-12关节轴承
·FE410Z2、FE412Z2、FE413Z2单向轴承 ·LF-DL-103、LF-DL-106
·3 7/16 ZAFS5307、5 7/16 ZAFS5507F、4 15/16 ZAF5415F
更多... 
 
   
 
首页 | 公司简介 | 产品展示 | 经销品牌 | 型号中心 | 部份库存轴承 | 新闻中心 | 客户留言 | 联系我们 | 轴承之家 |
上海川代轴承机械有限公司 技术支持:Freedesign
上海川代轴承机械有限公司|GMN轴承/SEALMASTER轴承/NADELLA轴承/EASE轴承/STAR轴承/DODGE轴承/LINKBELT轴承/INA轴承/IKO轴承/KOYO轴承/FYH轴承/TORR轴承/RHP轴承

客户服务热线

021-52797858
转8008询价

QQ:505918680
在线客服