RU66UU轴承尺寸规格 |
|
|
RU66UU With the Cross-Roller Ring, cylindrical rollers are arranged crosswise.This design allows just one bearing to receive loads in all directions including, radial, axial and moment load. The inner and outer rings are designed to be separable, the bearing clearance can be adjusted. In addition, highly accurate rotary motion is ensured through adjusting the bearing clearance to provide a preload. .
- Item: RU66UU Ball Bearings
- Type: Crossed Roller Bearing
- Closures: Open
- Dimensions: 35mm x95mm x15mm/Metric
- Inner Diameter (ID): 35mm
- Outer Diameter (OD): 95mm
- Width/Height/Bridth (W/H/B): 15mm
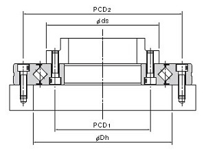
- dp: 66 mm Roller pitch circle dia.
- PCD1: 45 mm 8-M4 through Mounting hole
- PCD2: 83 mm 8-??4.5 drilled through Mounting hole, ??8 counter bore depth 4.4
| |
近期推荐轴承型号RU66UU,
,
J1_15_10,
BK25,
BNK1202_3RRG2_304LC7Y,
CFT20,
DPM5060,
ER1025_100,
HBN5012_75,
SF10(G6)-138L,
DIK1404-4,
NRS55B,
以上为我司部分轴承型号,如需查找其他型号,可登陆我们的现货中心栏目或致电021-52797858转8008询价,进行详细查询,谢谢!
|
| RU66UU产品详细图片: |
 |
| THK品牌介绍: |
| 日本THK导轨滑块精密丝杠广泛应用于机床、电子、自动化、纺织、汽车、医疗、食品、包装、橡胶等领域。产
品主要包括直线滚动导轨、滚珠丝杠、滚珠花键、直线轴承以及相关组合部件等直线运动系列产品。精密丝杠常见类型:THK LM导轨,THK滚珠花键,THK交叉滚子导轨.球导轨,THK交叉滚子.工作台,THK直线球滑座,THK LM辊子,THK滚珠螺杆,THK LM导轨.引动器KR型,THK滑动部件,THK交叉滚子轴承,THK连杆球接头,THK精密主轴,THK丝杠,THK导轨滑块等。 |
上海川代轴承机械有限公司专业销售THK RU66UU轴承,THK品牌供应商,我们为您提供RU66UU的具体的规格参数及报价,本公司同时销售包括THK品牌在内的多种进口轴承,包括深沟球轴承、自动调心球轴承、角接触球轴承、圆柱滚子轴承、滚针轴承、球面滚子轴承、推力轴承、Y-轴承、滚轮轴承,直线轴承,滑动轴承,轴承箱及各种精密机械部件等产品,目前公司拥有现货库存、快捷的物流体系、能在较短的时间内为用户解决轴承的配套供应和提供个性化服务。
欢迎垂询THK RU66UU轴承价格和库存信息。咨询热线:021-52797858转8008询价 |