JP-23-F轴承尺寸规格 |

Specifications (Boundary dimensions ...etc)
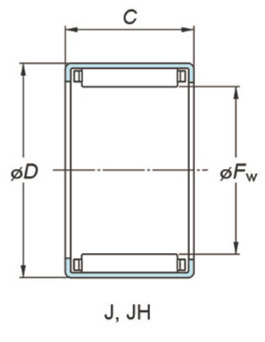
Fw
3.175 mm
D
6.350 mm
C
4.78 mm
Y(max)
mm
Basic load ratings : Cr
0.90 kN
Basic load ratings : C0r
0.61 kN
Fatigue load limit : Cu
0.100 kN
Limiting speeds(Grease lub.)
33000 min-1
Limiting speeds(Oil lub.)
51000 min-1
Mounting inner ring
Mounting dimensions
Refer.
(Refer.)Mass
0.001 kg |
近期推荐轴承型号JP-23-F,
,
HK1212B(TLA1212Z),
RNA4926,
RNAO80X100X30,
HJ-142216.2RS,
-405228,
RNA4824,
HK-3020,
HK1312B,
BK1210B,
M-30161,
以上为我司部分轴承型号,如需查找其他型号,可登陆我们的现货中心栏目或致电021-52797858转8008询价,进行详细查询,谢谢!
|
| JP-23-F产品详细图片: |
 |
| TORRINGTON托林顿品牌介绍: |
| TORRINGTON公司主要生产包括TORR球面滚子轴承,TORR滚针轴承,TORR重型滚针轴承,TORR支承滚轮滚针轴承,TORR飞机机架滚针轴承,TORR推力滚针等高端产品。 |
上海川代轴承机械有限公司专业销售TORRINGTON托林顿 JP-23-F轴承,TORRINGTON托林顿品牌供应商,我们为您提供JP-23-F的具体的规格参数及报价,本公司同时销售包括TORRINGTON托林顿品牌在内的多种进口轴承,包括深沟球轴承、自动调心球轴承、角接触球轴承、圆柱滚子轴承、滚针轴承、球面滚子轴承、推力轴承、Y-轴承、滚轮轴承,直线轴承,滑动轴承,轴承箱及各种精密机械部件等产品,目前公司拥有现货库存、快捷的物流体系、能在较短的时间内为用户解决轴承的配套供应和提供个性化服务。
欢迎垂询TORRINGTON托林顿 JP-23-F轴承价格和库存信息。咨询热线:021-52797858转8008询价 |